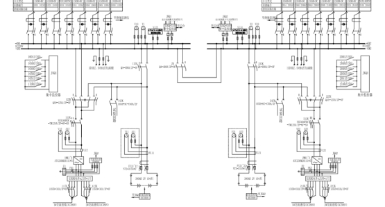
在220千伏變電站和緊張的110千伏變電站中, 站用直流屏系統一般接收兩電兩充(兩組蓄電池配兩套充電機)的建設。當對兩電兩充直流屏系統蓄電池組舉行查對性充放電實驗或許舉行大修時,往往需要將一套蓄電池組和充電機退出工作,由另一套蓄電池組和充電機帶全站負荷,待作業結束后再恢復,此過程稱為倒閘操作。
在直流屏系統倒閘操作過程中,操作人員除了嚴厲依照倒閘操作票舉行操作外,還應了解直流屏系統倒閘操作相關安全注意事端,并采納須要的安全措施,避免出現直流屏系統短路、失壓及人身觸電等事端。
倒閘前安全注意事端
1. 檢查兩套直流屏系統無報警信號。
若倒閘前其間一段直流母線存在接地缺點。將兩段直流母線并排后,另一段正常直流母線也會接地,不利于直流屏系統正常工作。若倒閘前兩段直流母線均存在接地缺點,將兩段直流母線并排后將發生兩點接地,或許導致維護誤動或許拒動,影響電網正常工作。因而,倒閘前必須供認兩套直流屏系統均無反常。

2. 檢查兩組蓄電池組均在浮充電情況。
若倒閘前一組蓄電池處于浮充電情況,另一組處于均充電情況。將兩段直流母線并排后,浮充電側充電機因為電壓低而閉鎖輸出,均充側充電機遇瞬間承受兩段直流母線負荷以及兩組蓄電池的充電負荷,影響均充側充電機使用壽命。因而,倒閘前必須供認兩組蓄電池組均在浮充電情況。

3. 檢查兩套直流屏系統各自的兩路溝通輸入電壓正常,且溝通輸入切換設備能正常動作。
若溝通輸入切換設備無法正常切換,當退出蓄電池進程時,或許因站用溝通電源母線失壓而構成直流屏系統失壓。
4. 檢查兩套直流屏系統直流母線壓差小于規定值,在本例中為2V。
若倒閘前將兩段直流母線壓差過大,將兩段直流母線并排后,電壓低側充電機因為電壓低而閉鎖輸出,電壓高側充電機和蓄電池會承受兩段直流母線負荷以及壓差過大帶來的瞬時沖擊電流,嚴峻時或許會構成充電機過流維護乃至損壞。
1#直流屏系統饋線屏電壓實測
2#直流屏系統饋線屏電壓實測
兩段直流屏母線轉并排工作安全注意事項
1. 操作直流屏系統聯絡開關時動作要快速、連貫。
若直流屏系統采用雙母聯開關接線方法,操作直流屏系統聯絡開關時動作要快速、連貫,削減直流母線脫離蓄電池組的時刻。雙母聯開關包含“電池I-饋線I”(電池II-饋線II)、“斷開”、“饋線I-饋線II”(“饋線II-饋線I”)三個方位。操作人員需將母聯開關先由“電池I-饋線I”(電池II-饋線II)方位切換至“斷開”方位,再由“斷開”方位切換至“饋線I-饋線II”(“饋線II-饋線I”)方位。當母聯開關處于“斷開”方位時,該段直流母線脫離蓄電池組,僅由充電機供電,若此時充電機缺點或許失掉交流電源,該段直流母線將失壓。
2. 兩段母線并排后,在合上的母聯開關把手上掛“制止分閘!”標示牌,并在把手操作桿上加掛機械鎖。
在合上的母聯開關把手上采納“雙保險”:掛標示牌、加掛機械鎖,避免人員誤操作構成直流屏系統失壓。
3. 兩段母線并排后,若兩套直流屏系統絕緣監測設備均為平衡橋式,需將其間一個絕緣監測設備關機并撤除平衡電阻的接地線。撤除的接地線做好絕緣包扎處理。
平衡橋式絕緣監測設備并聯后會誤發直流接地缺點信號。因而,有必要將其間一個絕緣監測設備關機并撤除平衡電阻的接地線。
四、退出充電機及蓄電池組安全注意事項
1. 將一套充電機退出工作后,需查詢兩套充電機輸出電流表或用鉗形電流表丈量,供認該段直流母線負荷已悉數轉移至另一套直流屏系統。
退出充電機后供認該充電機無電流,且另一套充電機帶全站負荷,避免母聯開關沒合到位的情況下退出充電機及蓄電池組后構成直流屏系統失壓。

2. 取蓄電池組保險時,應戴絕緣手套,并站在絕緣墊上。
此措施是為了避免取蓄電池組保險時發生人身觸電事端。
3. 取下蓄電池組保險后,在蓄電池保險的底座正極上下兩端、負極上下兩端別離套上大小適宜的絕緣盒,并在絕緣盒上別離掛“制止合閘,有人作業!”標示牌。
在蓄電池保險的底座上套絕緣盒是為了避免發生蓄電池正負極短路、人身觸電事端。掛標示牌是避免誤操作構成人身觸電事端。
五、恢復充電機及蓄電池組安全注意事項
1. 合上蓄電池組保險時,應戴絕緣手套,并站在絕緣墊上,避免發生人身觸電事端。
此措施是為了避免取蓄電池組保險時發生人身觸電事端。
2. 恢復充電機后,通過查詢兩套充電機輸出電流表并用鉗形電流表測量,承認兩套充電機均有輸出。
關于雙母聯開關直流屏系統,若有一套充電機無輸出,在切換母聯開關時將構成該套直流屏系統失壓。因而,恢復充電機后有必要承認兩套充電機均有輸出。
六、將兩段直流母線轉擺放工作安全注意事項
1. 將兩段直流母線擺放工作時,要承認兩套直流屏系統充電機均有直流電壓輸出,操作直流屏系統聯絡開關時動作要快速、銜接。
若直流屏系統采納雙母聯開關接線方法,操作直流屏系統聯絡開關時動作要快速、銜接,減少直流母線脫離蓄電池組的時刻,避免因充電機缺點或許失掉交流電源構成直丟掉壓。
2. 兩段母線擺放后,需將拆除的絕緣監測設備平衡電阻接地線恢復,并將絕緣監測設備開機。
兩段母線擺放后,恢復絕緣設備以確保兩套直流屏系統均有絕緣監測設備的監視。
七、倒閘后安全注意事項
1.檢查兩套直流屏系統恢復正常工作情況。
2.檢查1#、2#直流屏系統充電機輸出電壓、電流,饋線電壓、電流,蓄電池組電壓、電流。